KP1511SPA
  • KP1511SPAKP1511SPA

KP1511SPA

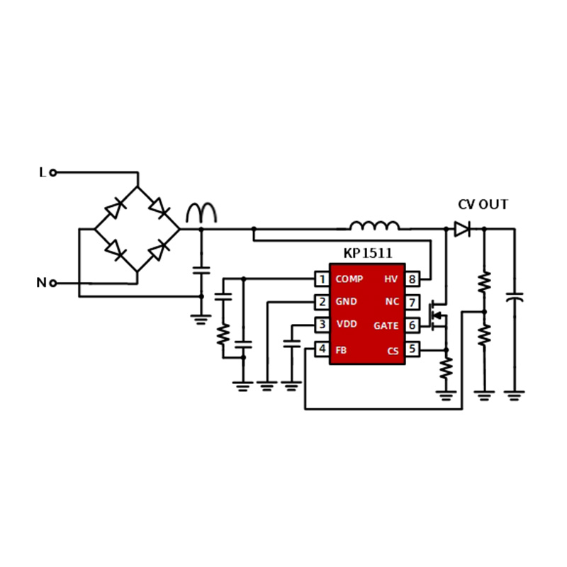
KP1511SPA är en mycket integrerad step-up PFC konstant spänningsregulator, chipet antar ett kvasi-resonant driftläge, tillsammans med aktiv effektfaktorkorrigeringsteknik för att möta kraven på hög effektfaktor, ultralåg harmonisk distorsion och hög effektivitet.

Skicka förfrågan

Produktbeskrivning

Högpresterande, kritisk lägesförstärkning PFC konstant spänningsregulator


KP1511SPA är en mycket integrerad step-up PFC konstant spänningsregulator, chipet antar ett kvasi-resonant driftläge, tillsammans med aktiv effektfaktorkorrigeringsteknik för att möta kraven på hög effektfaktor, ultralåg harmonisk distorsion och hög effektivitet.


KP1511SPA intern integrerad avmagnetiseringssignaldetekteringsteknik, medan integrerad 650V högspänningsstart- och strömförsörjningskrets, ingen hjälplindningsdetektering avmagnetisering och strömförsörjning, endast ett fåtal kringutrustning, vilket avsevärt förenklar systemets design och produktionskostnader.


KP1511SPA integrerar kompletta skyddsfunktioner för att säkerställa säker och tillförlitlig drift av systemet, såsom: VDD underspänningsskyddsfunktion (UVLO), cykelströmgräns (OCP), överhettningsskydd (OTP), utgångsöverspänningsskydd (OVP), utgångsunderspänningsskydd ( UVP), etc.


Huvudsak

• Hög effektivitet i kvasi-resonansläge

• Stöd ingen hjälplindningskonstruktion

• Integrerad 650V högspänningsstart och strömförsörjningskrets

• Enstegs aktiv effektfaktorkorrigeringsteknik

• Full spänningseffektfaktor >0,9, THD<10 %

• Systemstarttid <200ms

• Konstanttryckskontroll med hög precision

• Ultralåg driftström

• Utmärkt linjespänning och lastjustering


• Interna skyddsfunktioner:

Utgångsöverspänningsskydd (OVP)

• Utgångsunderspänningsskydd (UVP)

• Cycle Current Limit (OCP)

• Frontbländning (LEB)

• Överhettningsskydd (OTP)


• Inkapsling typ SOP-8


Typisk tillämpning

• Högeffekts PFC-applikationer



Kontakta oss

Shenzhen huvudkontor: 10:e våningen, byggnaden för forsknings- och utvecklingscenter, EVOC-industriparken, 

Guangming Street, Guangming District, Shenzhen City, Guangdong provinsen, Kina

Företagets officiella webbplats: www.cokinsemi.com

 

E-post: wyq@cokinic.com

Telefon:+86-18681585060

 




Hot Tags: KP1511SPA, Kina, Tillverkare, Leverantör, Fabrik, Anpassad, Lågt Pris, Kvalitet, Avancerat, Hållbar, Senast såld, I lager
Relaterad kategori
Skicka förfrågan
Lämna gärna din förfrågan i formuläret nedan. Vi kommer att svara dig inom 24 timmar.
X
Vi använder cookies för att ge dig en bättre webbupplevelse, analysera webbplatstrafik och anpassa innehåll. Genom att använda denna sida godkänner du vår användning av cookies. Sekretesspolicy
Avvisa Acceptera